RUFEN SIE UNS AN

+86-18106653002

SCHREIBEN SIE UNS EINE E-MAIL

ANFRAGE ANFRAGE

Es können hochwertige Produkte erworben werden
Heim » Produkte » Teile tragen » Grizzlybars » Eimer Verschleißteile DLP2067 Grizzly -Riegel

Produktkategorie

loading

Eimer Verschleißteile DLP2067 Grizzly -Riegel

Verfügbarkeitsstatus:
Menge:
facebook sharing button
twitter sharing button
line sharing button
wechat sharing button
linkedin sharing button
pinterest sharing button
whatsapp sharing button
sharethis sharing button
  • Baggereimer

  • Bagger

  • Ce

  • Neu

  • DLP2067

  • Casting

1. Beschreibung
Name: Grizzly Bars DLP2067
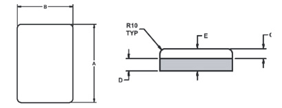
Beschreibungen: 305x150x137,5x(38+12=50)mm
Material: Cr-weißes Eisen und Weichstahl
Härte: HRC63
Einfach zuzuschneiden – so können Sie den Schutz an unterschiedliche Spezifikationen anpassen
Leicht zu biegen – bietet Schutz auf einer konturierten Oberfläche.
Verwenden Sie Unterlegkeilstangen mit vorgekerbter Trägerplatte.
Erhältlich in 5 Größen – entweder mit Standard- oder vorgekerbter Trägerplatte.

Anwendungen
Schaufelverschleißstreifen.
Ersetzt die Aufpanzerung von Erdbohrern, Richtbohrköpfen, Fundamentbohrungen und Raise-Bohrungen.
Lüfterflügelauskleidungen.
Pug-Mühlenpaddel, -Spitze und -Schaber.
Recyclingindustrie.
Kufen für Straßenfräsen und Hackenschutz.
Ersetzt die Hartbeschichtung von Pumpengehäusen und Laufrädern

2. Unser Produktsortiment
Schaufelverschleißteile DLP2067 Grizzly Bars

3. Beliebte Artikel
Schaufelverschleißteile DLP2067 Grizzly Bars
Teile-Nr. A (mm) B (mm) C (mm) D (mm) E (mm) Gewicht (kg)
DLP-1920 75 25 17 8 25 0.7
DLP-1921 100 50 17 8 25 1.1
DLP-1994 100 70 24 8 32 1
DLP-2196 130 80 15 8 23 1.3
DLP-4771 148 108 25 10 35 2.3
Schaufelverschleißteile DLP2067 Grizzly Bars
Teile-Nr. A (mm) B (mm) C (mm) D (mm) E (mm) Gewicht (kg)
DLP 4 300 38 25 8 33 3
DLP 295 153 38 25 8 33 1.6
DLP 508 190 50 20 10 30 2.3
DLP 125 230 50 38 12 50 4.6
DLP 1101 150 50 40 10 50 3
DLP 528 150 75 40 10 50 4.5
DLP 619 150 75 50 10 60 5.3
Schaufelverschleißteile DLP2067 Grizzly Bars
Teil # A (mm) B (mm) C (mm) D (mm) E (mm) Gewicht (kg
SB 413 200 150 20 25 45 10.5
SB 412 250 150 20 25 45 13.1
SB 414 250 250 20 25 45 22

4. Unser Lager
Schaufelverschleißteile DLP2067 Grizzly Bars

5. Firmeninformationen
Ningbo Beneparts Machinery Co., Ltd ist Ihr zuverlässiger GET-Teilelieferant und bietet ein umfassendes Sortiment an Ersatzteilen für alle Arten von Erdbewegungsmaschinen, die im Bergbau, im Baugewerbe, in der Landwirtschaft usw. eingesetzt werden, wie Bagger, Bulldozer, Lader, Baggerlader, Schaber, Brecher usw bald.Zu den Ersatzteilen, die wir liefern, gehören Gussteile wie Schaufelzähne, Adapter, Lippenschutz, Schutz, Aufreißerschaft usw. und Schmiedeteile wie geschmiedete Schaufelzähne, Schneidkanten, Planiermesser, Segmente, Endmeißel usw. sowie verschleißfeste Teile wie Unterlegkeilstangen, Verschleißknöpfe, kombinierte Chrom-Verschleißplatten usw. und passende Teile wie Stifte, Unterlegscheiben, Schrauben und Muttern usw.

Beneparts verfügt über ein sehr starkes Vertriebsteam und einen fest kooperierenden Hersteller mit High-Tech und Fokus auf Qualität mit mehr als 28 Jahren Erfahrung.

Unsere Vorteile sind vierfach: unsere:
1. Ein starkes technisches Team und wir haben die Fähigkeit, Materialien zu formulieren, die den spezifischen Anforderungen der Projekte unserer Kunden entsprechen.
2. Perfektes Qualitätsüberwachungssystem und umfassende Palette fortschrittlicher Einrichtungen, wie Komponentenanalysemaschine, Schlagmaschine, Zugfestigkeitsmaschine usw.
3. Umfangreiche Erfahrung im OEM/ODM-Geschäft. Wir können Artikel gemäß Zeichnungen und Mustern entwickeln, wenn Sie spezielle Anforderungen haben.
4. Effizientes Management, wir können die Lieferzeit verkürzen und wir verfügen über einen guten Kundendienst, der eine langfristige Geschäftszusammenarbeit mit unseren Kunden gewährleistet.

Unser Engagement für Sie besteht darin, stets einen schnellen, bequemen und effektiven Kundenservice zu bieten.
Freue mich dich zu treffen!
Vorherige: 
Nächste: 

Folgen Sie uns

Ningbo Beneparts Machinery Co., Ltd (BP) ist ein professioneller Hersteller, der sich seit über 30 Jahren auf die Herstellung von Bodenwerkzeugen spezialisiert hat.

Maschinen

Kategorien

Kontaktiere uns

sales2@beneparts.cn
sales@beneparts.cn
+86-18106653002
+86-18106653002
Nr. 1107-2609 Tiantong North Road, Ningbo, China.315100
Nachricht
KONTAKTIERE UNS
Urheberrecht ©️ 2023 Ningbo Beneparts Machinery Co., Ltd.